我公司自1992年开始,一直为“国家内燃机发电机组质量监督检查中心”检验合格的柴油发电机组制造厂商。公司拥有先进的检测设备、精湛的生产工艺、专业的制造设计、完善的质量管理体系、 雄厚的研发实力,服务网络遍布全国各地,随时为您提供设计、供应、调试、维修一条龙服务!
24小时销售热线:13878198542
24小时服务热线:13878801642
柴油发动机机体是柴油发电机组的骨架,是柴油发电机组各机构工作的基础,承受柴油发电机组的各种负荷。只有机组机体部件具有足够高的刚度和强度才能确保柴油发电机组各机构长期正常工作。下面由星光小编给大家重点介绍下柴油发电机组机体的结构及原理。
柴油发电机组机体由高强度铸铁制成,为隧道式结构。4、6缸直列型柴油发电机组机体,除缸数不同外,结构相似;12缸V型柴油发电机组机体两列气缸中心线夹角为75度,错缸距为45mm?;褰岷献榱悴考缤?/span>1、图2、图3所示。

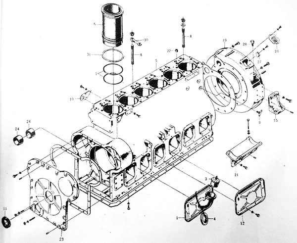
图1:直列型柴油发电机组机体结合组
在柴油发电机组机体两侧设有检视窗口和盖板。通过下面窗口可以检查曲轴、主轴承和连杆轴承,也可以拆装连杆螺钉和连杆盖,并可拆洗机油泵吸油粗滤网。其中一个盖板上,装置一个带有滤的通气管(12缸V型柴油发电机组还在传动机构齿轮室顶上另装一个通气管),以满足曲轴箱通风和用来添加机油。通气管滤芯应按第三章柴油发电机组技术保养定期清洗,以防通气不畅和尘土进入机油。

图2 直列型柴油发电机组机体结合组
1-通气管;2-机油冷却器固定箍;3-滤芯部件;4-通气管盖;5-机体;6-气缸套;7-封水圈;8-气缸盖螺栓;9-放水阀;
10-吊环;11-骨架式橡胶油封;12-下侧盖板;13-上侧盖板;14-气缸盖衬垫;15-支架;16-油管直接头;
17-冷油器支架;18-锁簧;19-飞轮壳;20-指针盖板;21-喷油泵支架;22-定位套筒;23-前盖板;24-凸轮轴轴承;
25-侧支架;26-螺塞;27-指针;28-吊环螺钉;29-燃油滤清器支架;30-气缸盖桥式垫块;31-铜垫圈
4、6缸直列型柴油发电机组机体左侧装有喷油泵托架。喷油泵支承面是在托架与机体用定位销和螺钉固紧后与机体喷油泵传动轴承座孔同镗的?;迩岸说拇垢前?,前盖板是在装配调整传齿轮啮合间隙及前轴与前轴油封座孔的同轴度后与机体一起配铰定位销的。在一般情况下,当柴油发电机组解体时,喷油泵托架不必拆下,如必须调换上述三种零件时,须先进行必要的调整后,重配各定位销。装飞轮壳时,应保证输出法兰和相应飞轮壳孔之间的间隙为0.225-0.29mm,然后交替均匀地拧紧固定螺栓。
在柴油发电机组机体左侧后端(12缸V型柴油发电机组左右侧各一个)设有放水阀。当柴油发电机组停车后,特别是在冬季和寒冷环境中应立即打开放水阀放掉机体中的冷却水,以防止机体和气缸套等冻裂。
图4:12缸V型柴油发电机组机体结合组
1-机体;2-侧支架;3-上通气管;4-滤芯部件;5-通气管盖;6-燃油滤清器支架;7-气缸套;8-封水圈;9-吊环螺钉;10-飞轮壳;11-指针盖板;12-指针;13、14、15、17-盖板;16-侧通气管;18-凸轮轴轴承;19-骨架式橡胶油封;20-前盖板;21-油管直接头;22-锁簧;23-气缸盖衬垫;24-气缸盖螺栓;25-定位套筒;26-盖板;27-放水阀;28-上侧盖板;29-搭扣;30-气缸盖桥式垫块;31-铜垫圈
以上是由江苏星光发电设备有限公司给大家介绍的柴油发电机组机体的结构和原理,希望对各位用户有帮助。我公司是专业发电机,柴油发电机组生产厂商,可提供3KW-2500KW各种规格普及型、自动化、四?;?、自动切换、低噪音及移动式等发电机、柴油发电机组以满足客户的一切电力需求。更多关于柴油发电机组技术/柴油发电机组维护保养/柴油发电机组最新报价欢迎拨打星光热线:13878198542
