我公司自1992年开始,一直为“国家内燃机发电机组质量监督检查中心”检验合格的柴油发电机组制造厂商。公司拥有先进的检测设备、精湛的生产工艺、专业的制造设计、完善的质量管理体系、 雄厚的研发实力,服务网络遍布全国各地,随时为您提供设计、供应、调试、维修一条龙服务!
24小时销售热线:13878198542
24小时服务热线:13878801642
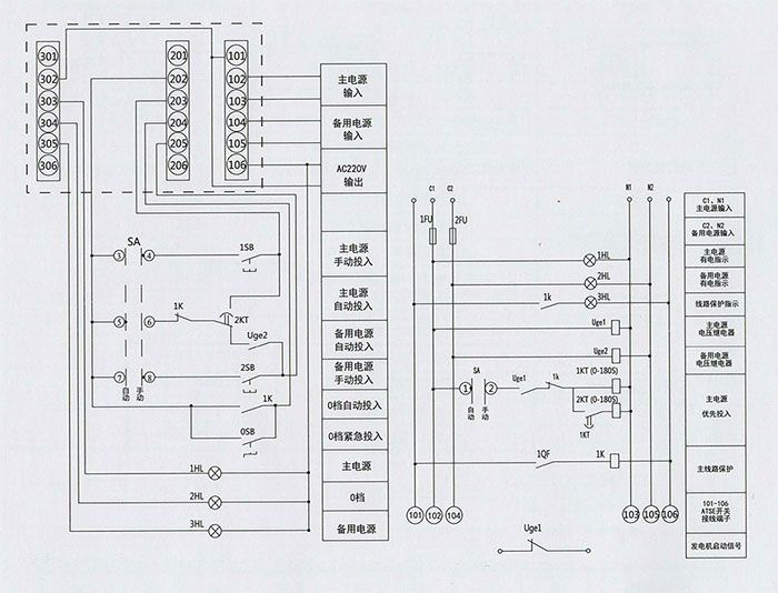
|
端子序号 |
接点序号 |
功能 |
说明 |
|
1号端子 |
101、106 |
电源零线、火线输出 |
有源输出,1A AC220v |
|
101、106 |
I路工作电源零线、火线输入 |
AC 220V |
|
|
104. 105 |
II路工作电源零线、火线输入 |
AC 220V |
|
|
2号端子 |
201、206 |
新开为无源控制,闭合为有源控制 |
详见SYK1型 |
|
202 |
外部无源控制信号输入公共端 |
|
|
|
203 |
与202闭合后L路合闸 |
|
|
|
204 |
与202闭合后O路合闸 |
I/II路分闸 |
|
|
205 |
与202闭合后II路合闸 |
|
|
|
3号端子 |
301. 306 |
未使用,内部已直连 |
400A以上装配 |
|
302 |
无源位置反馈信号输出公共端 |
基本型为有源输出,其它型号为无源输 |
|
|
303 |
I路合闸后与302闭合 |
||
|
304 |
0路合闸后与302闭合 |
||
|
305 |
II路合闸后与302闭合 |
||
|
4号端子 |
401.406 |
未使用,内部已直连 |
400A以上装配 |
|
402.403 |
I路合闸后闭合 |
无源1A AC220V |
|
|
404.405 |
II路合闸后闭合 |
无源1A AC220V |
|
|
5号端子 |
501-506 |
自定义信号输出端 |
400A以上选装 无源1A AC220v |




