我公司自1992年开始,一直为“国家内燃机发电机组质量监督检查中心”检验合格的柴油发电机组制造厂商。公司拥有先进的检测设备、精湛的生产工艺、专业的制造设计、完善的质量管理体系、 雄厚的研发实力,服务网络遍布全国各地,随时为您提供设计、供应、调试、维修一条龙服务!
24小时销售热线:13878198542
24小时服务热线:13878801642
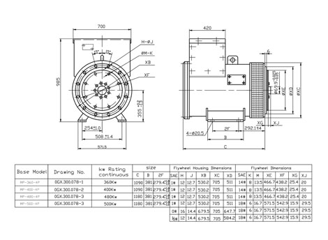
MP系列360-500KW是500基座号,普通无刷励磁,BE350模拟式调压器
MX系列360-500KW是570基座号,PMG永磁式无刷励磁,BE2000E数字式调压器

星光推荐:
普通单机MP就行了,并机要换PM500模拟调压器,要补差价,而MX是数字调压器自带并机功能,而且准确精度高。性能上并机推荐MX系列,成本上MP补上PM500模拟调压器差价已和MX系列整机价格差不多,所以还是推荐MX系列。
成套商经验
会接线的,直接把MP系列装配的BE350调压器换SX440调压器,也能做到自动并机。
物流经验
马拉松指定物流服务商总结三点经验:MX的比MP电机大一点,重一点;运费要高一点。
以上是由江苏星光发电设备有限公司给大家讲解的马拉松MP系列和MX系列360-500KW的区别,希望对各位用户有帮助。更多关于发电机技术/发电机选购/发电机保养/发电机最新报价资讯欢迎来电咨询汪先生:13878198542
