我公司自1992年开始,一直为“国家内燃机发电机组质量监督检查中心”检验合格的柴油发电机组制造厂商。公司拥有先进的检测设备、精湛的生产工艺、专业的制造设计、完善的质量管理体系、 雄厚的研发实力,服务网络遍布全国各地,随时为您提供设计、供应、调试、维修一条龙服务!
24小时销售热线:13878198542
24小时服务热线:13878801642
上期已经和大家详细讲解了新型军用发电机组控制器的硬件组成以及主控制板,本期重点针对电量采集???油机参数采集???显示??橐约翱刂破鞯娜砑杓粕钊胙?。
一、电量采集模块
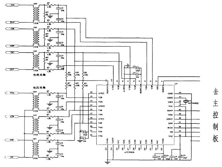
电量采集??椴捎弥楹>蘖ι母呔热嗟缒茏ㄓ眉屏啃酒?/span>ATIT022b,它适用于三相三线和三相四线系统中。它集成了六路二阶 sigma—deltaADC、参考电压电路以及所有功率、能量、有效值、功率因数以及频率测量的数字信号处理等电路。具有SPI接口,方便与外部MCU通讯,单 +5V供电,有很高的精度,在输人动态工作范围(10000:1)内,非线性测量误差小于0.1%.在此??榈纳杓浦校缌髁亢偷缪沽坎杉疾捎昧烁衾氪衅?,这样不同的??橥笔褂檬辈换嵯嗷ジ扇?。电量采集??榈牡缙恚缦峦迹?/span>
图电量采集???/span>
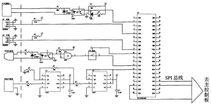
二、油机参数采集???/span>
油机参数采集??橐悦拦⑿竟镜陌宋坏テ?/span> PIC16F887为核心,它是采用纳瓦技术的增强型的8位CMOS闪存单片机,内部具有高精度内部振荡器,并且可通过软件选择的频率范围为:31kHz至8MHz,具有上电复位功能和内部看门狗,片内具有高耐用性闪~/EEPROM单元,其中有8192字可承受1O万次擦写的闪存,以及有256字节可承受 1000万次擦写 EEPROM,这两种存储器的数据保持时间大于40年,10位分辨率和 14个通道A/1)转换器。
由于具有这么丰富的资源,减少了外部元器件,大大降低了系统的成本,并且提高了系统的集成度。柴机油温和水温的采集采用美国DALLAS公司生产的数字温度传感器DS18B20,具有一55一+125%的采量范围,精度高达 ±0.5℃。其他量的采集使用PIC16F887自带A/D转换器直接转化为数字量,通过 PIC16F887自带的串行通讯接口SPI与主控制板传输数据。一组油机参数采集的电气原理图,如图3所示。其中,开关量可以接高电平,也可以接低电平,并且每个??榭梢蕴峁?/span>8路开关量输人,用户可以在程序中自行定义其功能。

三、显示模块
本控制器的人机对话界面具有丰富的选择,更加灵活,更加人性化。如果用户为了节省成本,可以不选择显示模块,只需在一台 PC机上安装免费提供的客户端软件,把主控制器和 PC机连接起来。连接方式近距离可以选择 RS232或USB直接连接,远距离可以选择 RS8Czrbeee连接方式。但是这种远距离连接末端必须加装转换器才能跟PC机连接,此转接器能够把R45CiS8、AN和无线通信zgbeee转换为USB接口,通过USB接口与PC机连接。
无论采用什么方式一旦把主控制板和Pc机建立了连接,就可以把柴油发电机组系统的所有参数和工作状态显示在PC机的屏幕上,并且可以实现对柴油发电机组的控制,比如开关机功能、双路电源互相切换、调节发电机的输出电压、调节柴油机的转速和设置各个参数的?;ぶ档鹊?,都可以通过在Pc机的屏幕上点击鼠标轻松实现控制和操作。
图油机参数采集???/span>
另一方面,又设计了两种数显控制屏:一种为嵌入式安装的数显控制屏;另一种为手持式的数显控制屏。两者的显示屏都采用下一代显示技术(有机发光显示技术)OLED显示屏屏幕的尺寸为28i,16OOO万色,240×320像素分辨率。OLED显示屏具有重量轻、成本低、低温性能好、寿命长、视界宽阔、功耗低和在阳光下不受影响的特点,克服了液晶屏低温性能差、视角小、在阳光下模糊不清的缺点,以及真空荧光数码管易碎、抗震性能差、寿命短、功耗大缺点。所以,能够满足军品对环境、性能和可靠性的苛刻要求。在按键的设计中都采用电容式触摸按键,按键的控制芯片选用美国赛普拉斯半导体公司(CpesssSmiodco)YC1×3SCyrecnutr的C824系列Po器件,它基于赛普拉斯半导体公司的CapSenseTM技术。PSoC器件能够利用简单的触摸控制器来取代许多机械式开关和控制器。与功能相同的机械式产品相比,基于CapSense的"按钮"和滑动触头控制器的可靠性更高,这是由于它们对环境磨损和撕裂具有很强的耐受力,而这些外来作用很容易破坏裸露的按钮和开关,非常适合军品野外的工作环境。
再加上灵巧简洁的外观,使得数显控制屏的界面更加精美,给用户非凡的体验和感受。嵌入式安装的数显控制屏与主控制板的连接采用 RS232连接,而手持式的数显控制屏则采用无线通信zigbeee连接方式,并且里面带有 12000mAh,3.7V的锂电池,还嵌入了电池充电芯片,最远通信距离为1000m.
这两种数显控制器的核心控制芯片为韩国 sa—msung公司生产的 16/32位 RISC处理器。S3C44BOX,它采用了ARM7TDMI内核,0.25um的工艺,而采用嵌入式操作系统为i~CLinux.在这种数显控制器上都可以实现柴油发电机组系统的所有参数和工作状态的显示,以及对柴油发电机组的控制,并且采用中文显示方式。
四、新型军用发电机组控制器的软件设计
由于本控制器的硬件设计中,使用了多个系列的微控制器芯片,并且还有在PC机上运行的客户端软件,所有软件的设计也比较繁琐和复杂。本系统是实时系统,不能有延迟现象,所以主控制板、有机参数采集模块和数显控制屏的程序都采用汇编语言进行编写。由于它们所对应的微处理器不一样,所以每种都采用各自的汇编语言进行编写,使它们所用的程序代码最短最有效。在PC机上运行的客户端软件,采用VB编写。
综上所述,新型军用柴油发电机组控制器的设计,始终围绕着军用这个主题,采用了一些新技术、新思路和新器件,弥补一些现有柴油发电机组控制器在军用条件使用中的缺憾,使它能够满足军用环境苛刻条件对产品的考验,为我军现代化装备事业贡献一份力量。
以上是由江苏星光发电设备有限公司和大家分享的新闻军用发电机组控制器的结构原理,希望对各位用户有帮助。更多关于发电机组的相关资讯以及最新报价欢迎来电咨询汪先生:13878198542
